Bleuette marche
Pour commencer, voici une vidéo de Bleuette effectuant ses premiers mouvements :
Bleuette first step from hugo on Vimeo.
L'électronique
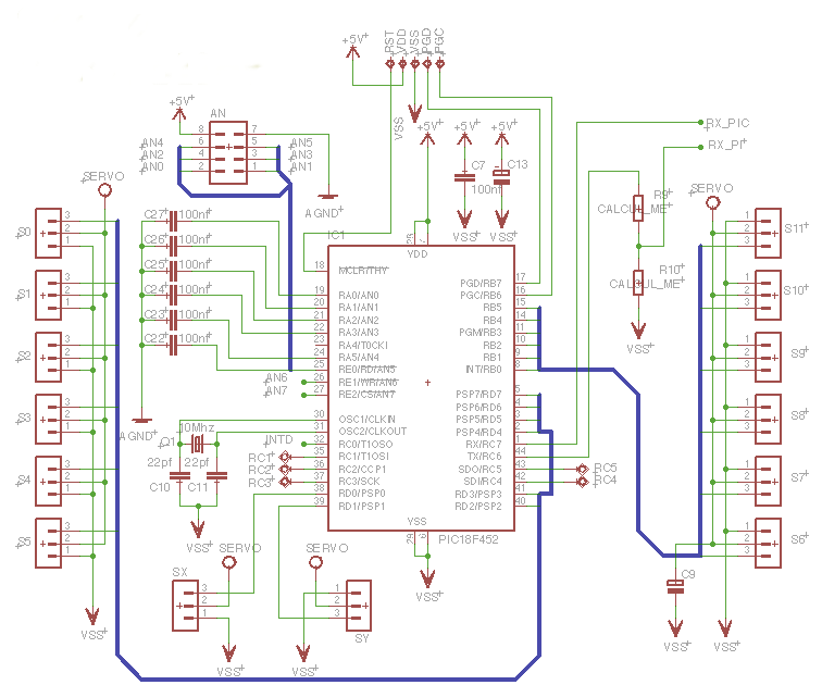
Le contrôle des servos de Bleuette (12 pour les pattes + 2 optionnels) se fait au travers d'une carte fille (shield) pour Arduino conçue pour ne pas être totalement dépendante de Bleuette, ainsi, vous pouvez parfaitement l'utiliser pour un tout autre projet.
Ses caractéristiques sont les suivantes :
- Gestion parfaitement synchrones (voir en dessous) de 14 servos
- Contrôle de la tension des servos
- Contrôle du courant consommé par les servos
- Port d'extension intégré (avec disponibilité de l'alimentation +5V et 4 entrées / sorties RA2 à RA5)
Parfaitement synchrone signifie que les impulsions à destination des servos commencent toutes au même moment avec un décalage très très faible, vous pouvez lire la documentation originale sur la carte.
Le pilotage des servos se fait en envoyant des trames de 17 octets contenant une entête, une commande et la position des servos + un checksum.
J'ai fait faire les PCB par Seeedstudio, qui fait de la très bonne qualité pour un prix très intéressant.
La carte est simple à réaliser, la soudure du PIC18F452 nécessite tout de même un peu de doigté et un minium de matériel mais ça reste jouable avec du matériel amateur.
Voici une vue de la carte :

Si vous souhaitez faire vous même la carte, rendez-vous sur cette page pour avoir la dernière version des fichiers Eagle : Pcb de Bleuette
Pour ceux qui souhaiteraient se procurer une carte (version 1.0.2), frais de port inclu pour la France métropolitaine :
- La carte seul (sans composant) pour 6€, livraison en France
- Le PIC18F452 programmé : 10€
- Pour le kit complet, carte + composants soudé ou non, me contacter
Notez également que j'ai effectué des modifications récentes sur le schéma de principe et le PCB, elle est dorénavant en 1.2.1 (ajout d'un condensateur de découplage C9, des diodes zener D2 et D3 de protection sur les entrées analogiques, modification de l'interrupteur, ajout d'un pont SJ1 pour le reset).
Logiciel
La méca et l'électronique étant finies, j'ai pu attaquer le logiciel embarqué qui est de 2 sortes :
L'assembleur PIC
Rien de spécial à dire, il se trouve ici et comporte tout ce dont on a besoin pour piloter Bleuette et donc ne devrait plus vraiment évoluer...
Le code pour Arduino
Voici la structure :
Et nous avons 4 librairies :
- Bleuette : C'est par ici que tout passe
- Sequencer : C'est lui qui gère les sequences définies dans le fichiers sequences
- ServoController : Pilote de la carte de contrôle de servos
- SerialCommand : Librairie externe très pratique pour la gestion de commande via la liaison série.
Déplacer Bleuette
Pour faire bouger les pattes de Bleuette, c'est assez simple, commençons par un exemple :
bleuette.servo.set(0, 128);
Cela aura pour effet de positionner le servo 0 à sa position intermédiaire 128.
Si maintenant, on souhaite faire faire des pompes à Bleuette, on ne va pas répéter 24 fois la commande précédente pour positionner chaque patte, sinon, on ne va jamais s'en sortir !
Utilisons plutôt, une séquence :
Tout d'abord, déclarons une structure de type motion_t nommée motion_pushup :
// Push up
motion_t motion_pushup[] = {
{
DELAY_MIN, // Durée du déplacement courant
{
__, __, __, __, __, __, // Position des pattes horizontales
UP, UP, UP, UP, UP, UP // Position des pattes verticales
},
NULL // Une callback qui sera appelée à chaque fin d'exéction de la position
},
{
DELAY_MIN,
{
__, __, __, __, __, __,
DOWN, DOWN, DOWN, DOWN, DOWN, DOWN
},
NULL
}
};
Puis créons la séquence en elle même :
sequence_t seq_pushup = {
"Push up", // Le nom de la séquence
2, // Le nombre de mouvement dans la séquence
motion_pushup // La structure de déplacement que nous avons créé plus haut
};
Maintenant, nous n'avons plus qu'à appelé la séquence ainsi :
// Pour la jouer en avant
bleuette.sequencer.forward(sequences[seq]);
// Pour la jouer à l'envers
bleuette.sequencer.backward(sequences[seq]);
Voilà pour cette introduction rapide, je vous invite à regarder le code, il est vraiment simple...
Évolution en cours
La prochaine évolution de Bleuette lui donnera de vrais pieds qui lui permettront de moins glisser mais surtout, lui donnera le toucher au travers d'un petit interrupteur, ainsi, en posant une patte, il pourra s'assurer que le sol est bien en dessous...
Voici une vue de ses bouts de pattes :

La partie inférieure (la demi sphere et le cylindre extérieur) est mobile et glisse dans le cylindre plus petit dans lequel se trouve un interrupteur poussoir, c'est ce dernier qui fait office de rappel mécanique.
La partie en contact avec le sol (la demi-sphere sur l'image) sera en PLA Flex afin d'obtenir un maximum d'adhérence.
Ses 6 pattes devraient en être équipées, pour cela, un circuit intégré (4512) branché sur le port OPTION permettra de sélectionner la patte à lire via une adresse sur 3 bits, on occupera ainsi seulement 3 bits de sorties pour l'adressage + 1 bit de sortie pour connaitre l'état (patte posée ou non).
Évolutions futures
Bleuette devrait être équipé d'une liaison Bluetooth, d'un capteur magnétique afin de garder un cap lorsqu'il marche et enfin, d'une tourelle mobile avec un capteur ultrason pour détecter les obstacles devant lui et tout cela intégré dans une seconde carte fille.
Bleuette se sentant un peu à l'étroit avec Arduino, il n'est pas totalement exclu que je porte le code pour tourner sur un Raspberry Pi...
Et bien entendu, Bleuette attend impatiemment des frères et soeurs : toute contribution est la bienvenue !